Harmony v3 Peripheral Libraries on SAM D5x/E5x: Step 1

Step 1.1: Install the MPLAB® Harmony Configurator (MHC) Plug-in in the MPLAB X IDE

1

Verify that MHC is installed

• Launch MPLAB X IDE from the Windows® Start Menu. Close any projects and files that are currently open.
• Go to Tools > Embedded
• You will see MPLAB Harmony 3 Configurator in the menu

mhc_setup.png

If you don't see it in the menu, install MHC.

Step 1.2: Create MPLAB Harmony v3 Project using MPLAB X IDE

1

Select File > New Project from the main IDE menu.

Note: Close all existing opened projects before you start creating a new project.

2

In the Categories pane of the New Project dialog, select Microchip Embedded. In the Projects pane, select 32-bit MPLAB Harmony 3 Project, then click Next.

project_creation_setup.png

If 32-Bit MPLAB Harmony 3 Project is not displayed, install MHC.

3

In the Framework Path edit box, browse to the folder you downloaded the framework to. If you haven't done this, or want to download it to a different folder, click the Launch Framework Downloader button, then click Next.

For more information on the framework downloader, see the "Download MPLAB Harmony Framework" section of the "MPLAB Harmony Configurator Overview" page.

project_path_setup.png

4

In the Project Settings window, apply the following settings:

  • Location: indicates the path to the root folder of the new project. All project files will be placed inside this folder. The project location can be any valid path, for example: C:\microchip\harmony\v3\training\dev.
  • Folder: indicates the name of the MPLABX .X folder. Enter sam_e54_xpro to create a sam_e54_xpro.X folder.

Note: this must be a valid directory name for your operating system.

  • Name: enter the project’s logical name as getting_started_sam_e54_xpro. This is the name that will be shown from within the MPLAB X IDE.

Note: the Path box is read-only. It will update as you make changes to the other entries.

  • Click Next to proceed to configuration settings.
project_naming_setup.png

Note: clicking on the Show Visual Help button will open a help window providing a detailed description of the various fields in the Project Settings window.

project_naming_setup_help.png

5

Follow the steps below to set the project’s Configuration Settings:

  • Name: enter the configuration name as sam_e54_xpro.
  • Target Device: select ATSAME54P20A as the target device.

Note: you can select the Device Family or enter a partial device name to filter the list in Target Device in order to make it easier to locate the desired device.

  • After selecting the target device, click Finish to launch the MHC.
project_setup_finish.png

Note: the New Project Wizard opens a Configuration Database Setup window to allow you to review the packages that will be used by the current project.

6

While the MHC tool launches, it will ask for the packages to be loaded. In the Load checkboxes list, select the csp package (by default this option is selected) and uncheck all the other packages.
Click Launch to launch the MHC Configurator tool with the selected packages.

mhc_launch_step.png

7

The MHC plugin’s main window for the project will be displayed.

launched_mhc_view.png

8

Before proceeding, set up the compiler toolchain. Click on the Projects tab on the top left pane. Right click on the project name getting_started_sam_e54_xpro and go to Properties.

project_view.png

Make sure that XC32 (v2.20) is selected as the Compiler Toolchain for XC32. Click on Apply and then click on OK.

xc32_setup.png

Tool Tip: If you closed MHC accidently, and would like to open it again, go to Tools > Embedded > MPLAB Harmony 3 Configurator.

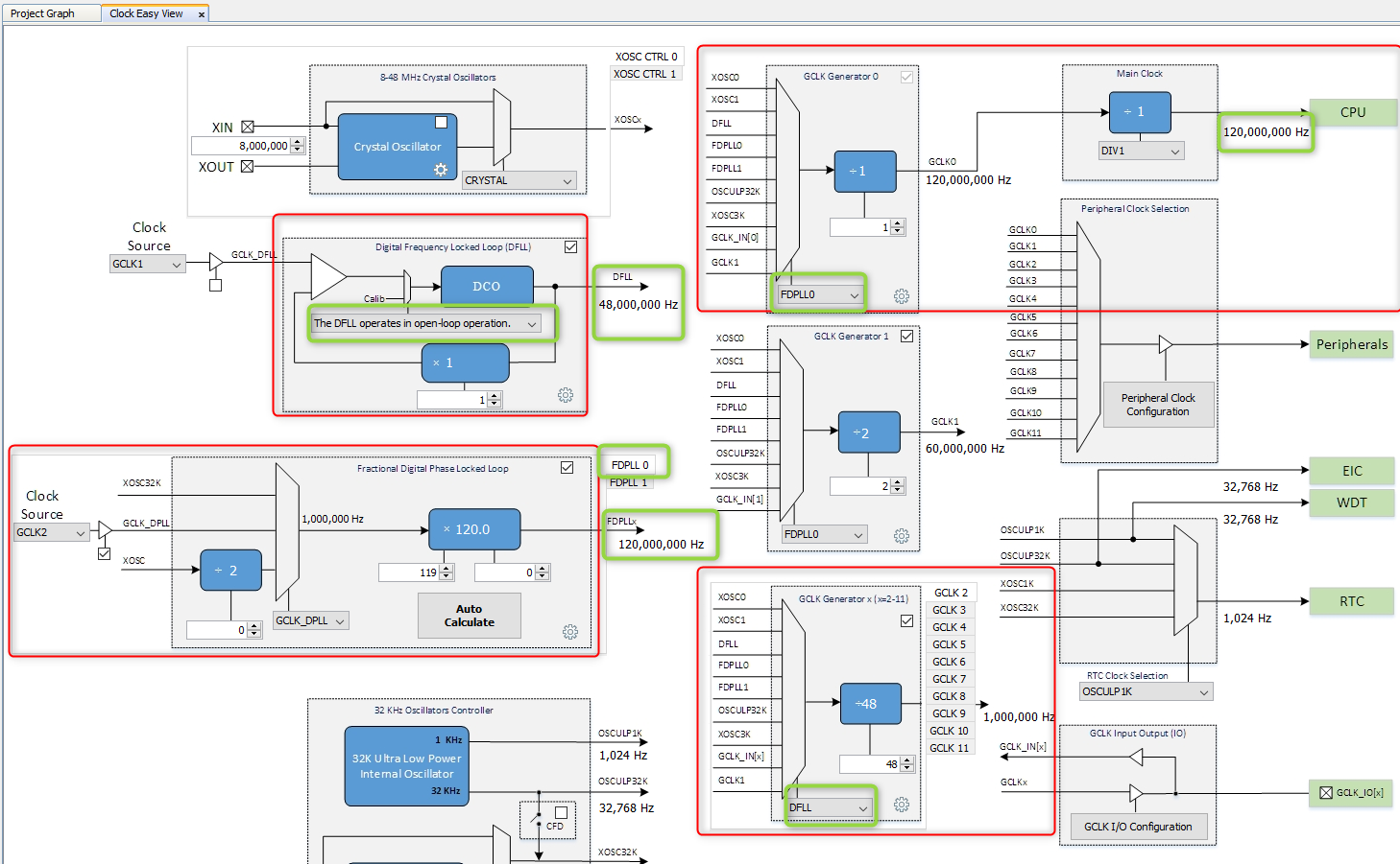
Step 1.3: Verify Clock Settings

1

Launch Clock Easy View by going to MHC tab in MPLABX IDE and then select Tools > Clock Configuration.

clock_configuration_open.png

A new window, Clock Easy View, is opened in the project’s main window.

2

Click on the Clock Easy View tab, scroll to the right and verify that the Main Clock is set to 120 MHz.

clock_configuration_setup.png

Tool Tip: Double click on Clock Easy View tab to maximize the window.



Next Step >

© 2021 Microchip Technology, Inc.
Notice: ARM and Cortex are the registered trademarks of ARM Limited in the EU and other countries.
Information contained on this site regarding device applications and the like is provided only for your convenience and may be superseded by updates. It is your responsibility to ensure that your application meets with your specifications. MICROCHIP MAKES NO REPRESENTATIONS OR WARRANTIES OF ANY KIND WHETHER EXPRESS OR IMPLIED, WRITTEN OR ORAL, STATUTORY OR OTHERWISE, RELATED TO THE INFORMATION, INCLUDING BUT NOT LIMITED TO ITS CONDITION, QUALITY, PERFORMANCE, MERCHANTABILITY OR FITNESS FOR PURPOSE. Microchip disclaims all liability arising from this information and its use. Use of Microchip devices in life support and/or safety applications is entirely at the buyer's risk, and the buyer agrees to defend, indemnify and hold harmless Microchip from any and all damages, claims, suits, or expenses resulting from such use. No licenses are conveyed, implicitly or otherwise, under any Microchip intellectual property rights.