Isolator Unit Design

The isolator is a bridge where electrically hot signals are passed through transparently to the emulator. The In-Circuit Serial Programming (ICSP) interface signals are magnetically or optically isolated, providing up to 2.5 kV equivalent isolation protection. The isolator is housed in its enclosure, providing an additional measure of safety.

This unit contains the same circuitry as the high-speed receiver board. See the Performance Pak for the MPLAB® REAL ICE™ In-Circuit Emulator User’s Guide (DS50002528), as well as the isolation circuitry (see the following schematics).

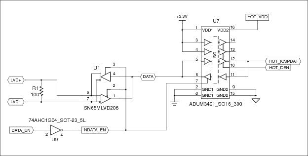
IsolatorUnit_ICSPDAT.jpg
Figure 1: Isolator Unit Schematic – ICSPDAT
IsolatorUnit_ICSPCLK.jpg
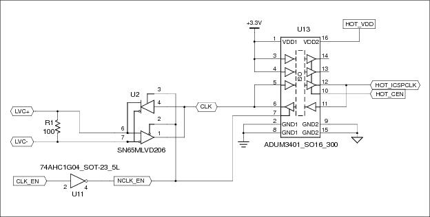
Figure 2: Isolator Unit Schematic – ICSPCLK
IsolatorUnit_DAT_CLK.jpg
Figure 3: Isolator Unit Schematic – DAT and CLK
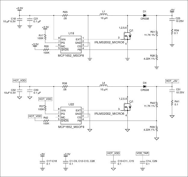
IsolatorUnit_Power.jpg
Figure 4: Isolator Unit Schematic – Power
IsolatorUnit_Vdd_Vpp_MCLR.jpg
Figure 5: Isolator Unit Schematic – Vdd, Vpp, not MCLR
© 2021 Microchip Technology, Inc.
Notice: ARM and Cortex are the registered trademarks of ARM Limited in the EU and other countries.
Information contained on this site regarding device applications and the like is provided only for your convenience and may be superseded by updates. It is your responsibility to ensure that your application meets with your specifications. MICROCHIP MAKES NO REPRESENTATIONS OR WARRANTIES OF ANY KIND WHETHER EXPRESS OR IMPLIED, WRITTEN OR ORAL, STATUTORY OR OTHERWISE, RELATED TO THE INFORMATION, INCLUDING BUT NOT LIMITED TO ITS CONDITION, QUALITY, PERFORMANCE, MERCHANTABILITY OR FITNESS FOR PURPOSE. Microchip disclaims all liability arising from this information and its use. Use of Microchip devices in life support and/or safety applications is entirely at the buyer's risk, and the buyer agrees to defend, indemnify and hold harmless Microchip from any and all damages, claims, suits, or expenses resulting from such use. No licenses are conveyed, implicitly or otherwise, under any Microchip intellectual property rights.