Driving LEDs With a Boost Regulator

A boost regulator topology is used when the output voltage of the converter must be equal to or greater than the input voltage. A boost regulator is useful for driving a chain of Light Emitting Diodes (LEDs) connected in series. It is beneficial to drive multiple LEDs in series. This ensures that all LEDs receive the same amount of current and will have the same brightness level. Using a coupled inductor in the boost circuit reduces the switching voltage requirements of the MOSFET switch.

MCP1640 Boost Regulator

The MCP1640 synchronous boost regulator can provide a stable operating voltage for an LED from a single cell alkaline battery.

MCP1640-SOT-23-6.png
 
Microchip Direct
Buy here >

MCP1640 Single Cell Synchronous Boost Regulator Application Example

MCP1640 single-cell input boost converters enable startup from very low input voltage sources. MCP1640/B/C/D converters will start from a 0.65 V source and operate down to 0.35 V while boosting the output voltage from 2.0 V to 5.5 V. A typical application schematic is shown in the figure below. Efficiency is maximized over the entire load range by auto-switching from a Pulse Skipping or Pulse Frequency Modulation (PFM) mode to a continuous 500 kHz Fixed Frequency mode by using MCP1640/MCP1640C devices. For applications that cannot tolerate the low-frequency Pulse Skipping mode or the output ripple voltage associated with it, the MCP1640B/D devices switch at a continuous fixed pulse width modulation frequency of 500 kHz. In addition to the dual switching modes, the MCP1640/B/C/D family of devices offers two disable options. In the True Output Disconnect option (MCP1640/MCP1640B devices), the output of the synchronous boost converter is open and the typical diode path from input to output is removed, isolating the input from the output. In the Input Bypass option (MCP1640C/D devices), the input is connected to the output using the synchronous P-Channel switch. During this mode, the quiescent current drawn from the battery is less than 1 µA typical. The Input Bypass mode provides voltage to power a load in deep sleep with the ability to boost the voltage up to the levels that are necessary for normal operation.

MCP1640-Single-Cell-Synchronous-Boost-Regulator.PNG

MCP1650 Boost Regulator

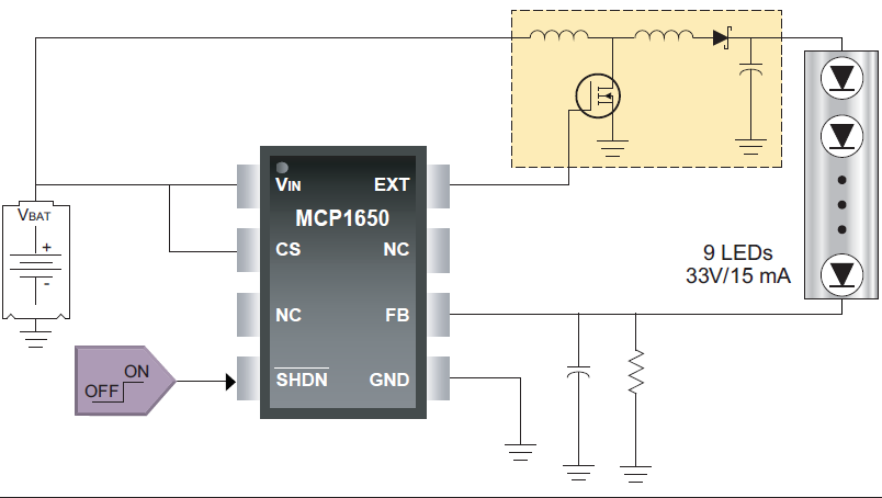
The MCP1650 Boost Regulator uses an external switch so that it can be used for any type of load. An additional advantage of the MCP1650 in battery applications is the Gated Oscillator Architecture which provides two duty cycles, reducing high-peak inductor current and output ripple voltages. Input voltages above 3.8 V engage a 56% duty cycle and an 80% duty cycle when the input voltage drops below 3.8 V, extending battery life in these applications.

MCP1650-MSOP-8.png
 
Microchip Direct
Buy here >

MCP1650 Target Applications

  • High-Power Boost Applications
  • High-Voltage Bias Supplies
  • White LED Drivers and Flashlights
  • Local 3.3 V to 5.0 V Supplies
  • Local 3.3 V to 12 V Supplies
  • Local 5.0 V to 12 V Supplies
  • LCD Bias Supply

MCP1650 Battery Operated Boost LED Driver Application Example

MCP1650-Boost-LED-Driver.PNG

MCP1632 300 kHz Boost Converter Demo Board (Part Number: ADM00530)

The MCP1632 300 kHz Boost Converter Demo Board is a compact, highly efficient, step-up voltage converter that will convert the input voltage rail (typically 5 V) to a regulated 12 V output voltage. The maximum output current for this demo board is 0.9 A. The board demonstrates the capabilities of the MCP1632 PWM controller. Test points for various signals are provided for measuring different parameters of the converter. The Demo Board can be modified to support output voltages from 9 V to 15 V by changing a single resistor.

ADM00530-demo-board.jpg
 
Microchip Direct
Buy here >

The recommended alternate board to MCP1650 Multiple White LED Demo Board (Part Number: MCP1650DM-LED2) is no longer available.

© 2021 Microchip Technology, Inc.
Notice: ARM and Cortex are the registered trademarks of ARM Limited in the EU and other countries.
Information contained on this site regarding device applications and the like is provided only for your convenience and may be superseded by updates. It is your responsibility to ensure that your application meets with your specifications. MICROCHIP MAKES NO REPRESENTATIONS OR WARRANTIES OF ANY KIND WHETHER EXPRESS OR IMPLIED, WRITTEN OR ORAL, STATUTORY OR OTHERWISE, RELATED TO THE INFORMATION, INCLUDING BUT NOT LIMITED TO ITS CONDITION, QUALITY, PERFORMANCE, MERCHANTABILITY OR FITNESS FOR PURPOSE. Microchip disclaims all liability arising from this information and its use. Use of Microchip devices in life support and/or safety applications is entirely at the buyer's risk, and the buyer agrees to defend, indemnify and hold harmless Microchip from any and all damages, claims, suits, or expenses resulting from such use. No licenses are conveyed, implicitly or otherwise, under any Microchip intellectual property rights.