AC244064

The AC number is used for ordering the Emulation Extension Pak (EEP) which contains the emulation header. However, this number is not on the header as the board may be used for multiple headers by inserting different -ME2 devices. To identify this header, use the following information:

AC Number -ME2 Device Board Assembly Number
AC244064 PIC16F1789-ME2 02-10039

Header Setup and Operation

For this header, you will need to select your device type using J5.

BoardZap.jpg CAUTION
Header Damage.
Selecting the wrong type of device may cause device damage,
especially when Vdd is greater than 3.6 V (with respect to Vss).

You can also enable the Power LED by using J3. J6 is not a jumper but a group of pins that you can use for trigger in and/or trigger out signals.

Jumpers Name Setting Function Notes
J3 LED
Enable
Open disable power LED indicator ——
Short enable power LED indicator
J5 Emulation
Selected
pins 1-2 emulate 'F' variants (5.5 V MAX) Note 1
pins 2-3 emulate 'LF' variants (3.6 V MAX!)
J6 Trigger
I/O
pin 1 Ground Note 2
pin 2 used for Trigger In
pin 3 used for Trigger Out
Note 1: Do not change this setting when the header is powered. Power down first.
Note 2: See
Trigger In/Out.

Header Limitations and Errata

See the “Limitations” section in your debug tool online Help file for details.
For silicon errata, see -ME2 Silicon Errata.

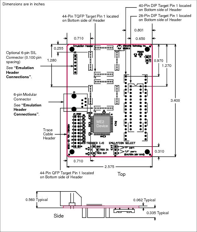
Header Dimensions

The figure below lists the dimensions for the emulation header. Dimensions are design values in inches.

If the length and/or width of the emulation header is too large a footprint for the target board, consider using stand-offs, single in-line pins, transition sockets or other extenders in the header connection socket to raise the header above the target.

Figure: Dimensions - AC244064

Dimensions_AC244064.jpg
© 2021 Microchip Technology, Inc.
Notice: ARM and Cortex are the registered trademarks of ARM Limited in the EU and other countries.
Information contained on this site regarding device applications and the like is provided only for your convenience and may be superseded by updates. It is your responsibility to ensure that your application meets with your specifications. MICROCHIP MAKES NO REPRESENTATIONS OR WARRANTIES OF ANY KIND WHETHER EXPRESS OR IMPLIED, WRITTEN OR ORAL, STATUTORY OR OTHERWISE, RELATED TO THE INFORMATION, INCLUDING BUT NOT LIMITED TO ITS CONDITION, QUALITY, PERFORMANCE, MERCHANTABILITY OR FITNESS FOR PURPOSE. Microchip disclaims all liability arising from this information and its use. Use of Microchip devices in life support and/or safety applications is entirely at the buyer's risk, and the buyer agrees to defend, indemnify and hold harmless Microchip from any and all damages, claims, suits, or expenses resulting from such use. No licenses are conveyed, implicitly or otherwise, under any Microchip intellectual property rights.